| 型???????號?? | DN10~DN100 |
| 參???????數?? |
根據需求定制設計 |
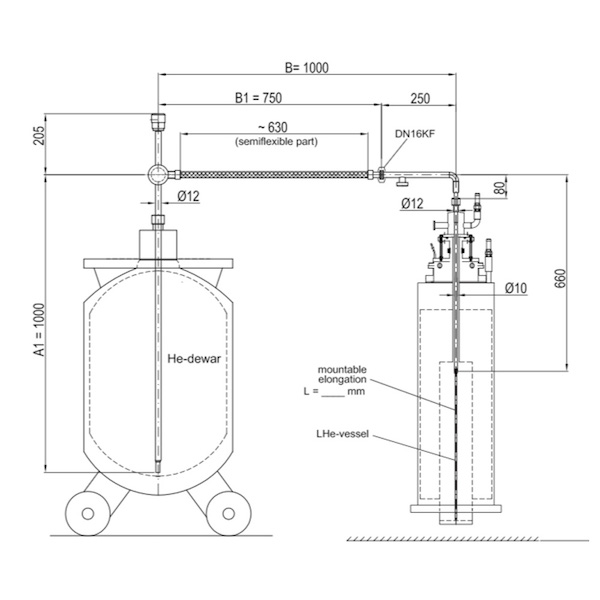
定制液氮低溫軟管
液氮低溫環境對軟管的要求是非常高的。首先,液氮低溫環境下,材料的低溫抗凍性必須良好,以防止軟管在超低溫下變硬甚至破裂。其次,耐腐蝕性也是液氮低溫軟管的重要性能之一。由于液氮具有強氧化性和腐蝕性,軟管在長時間接觸液氮時必須具備良好的耐腐蝕性,以防止軟管的使用壽命縮短和泄露的風險。此外,在液氮低溫環境下,軟管的柔韌性和耐壓性也是非常關鍵的。軟管需要能夠在低溫下保持足夠的柔韌性,以滿足各種復雜的使用場景;同時需要具備良好的耐壓性能,以保證工作過程的穩定和安全。




Copyright ? 2017 (班德液氮罐) 北京德世科技有限公司 版權所有 京ICP備17012785號-4







